Владельцы надувных лодок ПВХ знают, как важно иметь надежный якорь для стабильной укладки судна на воде. В данной статье мы рассмотрим 10 способов изготовления самодельного якоря для лодки ПВХ, предоставив чертежи, фото, размеры и подробные инструкции. Эта информация окажется полезной для всех, кто стремится обеспечить безопасность и комфорт при использовании надувной лодки.
Подготовка к изготовлению якоря
Перед тем как приступить к изготовлению якоря для лодки ПВХ, необходимо провести подготовительные мероприятия. Важно определить тип водоема, на котором будет использоваться лодка, чтобы выбрать подходящий тип якоря. Также следует учесть вес и размеры лодки, чтобы якорь был достаточно мощным для удержания судна на месте.
Для изготовления якоря потребуются материалы и инструменты, которые могут включать в себя металлические грузы, цепи, крюки, бетон, гантели, автомобильные детали и другие элементы в зависимости от выбранного способа изготовления. Важно также учитывать общий вес якоря, чтобы он был достаточно тяжелым для эффективной работы, но при этом удобным для транспортировки и хранения на борту лодки.
Помимо этого, необходимо уделить внимание безопасности при изготовлении якоря. Работа с металлическими и другими материалами может быть опасной, поэтому следует использовать защитные средства, такие как перчатки, очки и другие средства индивидуальной защиты. Также важно учитывать окружающую среду и не использовать вредные для окружающей среды материалы при изготовлении якоря.
После того как все подготовительные мероприятия выполнены, можно приступать к изготовлению выбранного типа якоря для лодки ПВХ. Следуя предоставленным инструкциям и чертежам, каждый сможет создать надежный и эффективный якорь своими руками, обеспечивая безопасность и удобство при использовании надувной лодки.
Мнение эксперта:
Самодельный якорь для лодки ПВХ – это важный элемент, который обеспечивает безопасность и устойчивость судна на воде. Эксперты рассматривают различные способы изготовления такого якоря. Среди них популярны следующие методы: использование бетонного блока с цепью, изготовление якоря из металлической трубы, создание якоря из стальной плиты, применение груза в виде колеса от автомобиля и другие творческие подходы. Важно помнить, что самодельный якорь должен быть надежным, удобным в использовании и соответствовать размерам и типу лодки. Следует обратить внимание на материалы, из которых будет изготовлен якорь, чтобы обеспечить его долговечность и эффективность при использовании.

10 способов изготовления якоря для лодки ПВХ своими руками
10 способов изготовления якоря для лодки ПВХ своими руками
Перед вами десять разнообразных методов создания якоря для лодки ПВХ, каждый из которых подходит для определённых условий и потребностей. Этот раздел предназначен для тех, кто хочет сделать надёжный и функциональный аксессуар, не тратя при этом большие средства на покупку готового изделия. Здесь вы найдете подробные инструкции, советы и рекомендации, которые помогут вам выбрать оптимальный вариант. От классических грузовых версий до инновационных решений — каждый найдет что-то подходящее для своей лодки.
Перед вами десять разнообразных методов создания якоря для лодки ПВХ, каждый из которых подходит для определённых условий и потребностей. Этот раздел предназначен для тех, кто хочет сделать надёжный и функциональный аксессуар, не тратя при этом большие средства на покупку готового изделия. Здесь вы найдете подробные инструкции, советы и рекомендации, которые помогут вам выбрать оптимальный вариант. От классических грузовых версий до инновационных решений — каждый найдет что-то подходящее для своей лодки.
| Способ | Сложность | Материалы |
|---|---|---|
| Из пластиковой трубы | Легко | Пластиковая труба, заглушки, клей, веревка |
| Из металлической трубы | Средне | Металлическая труба, заглушки, клей, веревка |
| Из деревянного бруса | Средне | Деревянный брус, саморезы, краска, веревка |
| Из пенопласта | Легко | Пенопласт, клей, веревка |
| Из автомобильной шины | Средне | Автомобильная шина, саморезы, краска, веревка |
| Из бетонного блока | Сложно | Бетонный блок, арматура, цемент, веревка |
| Из металлической бочки | Сложно | Металлическая бочка, болты, гайки, веревка |
| Из пластиковой бутылки | Легко | Пластиковая бутылка, скотч, веревка |
| Из канистры | Средне | Канистра, саморезы, краска, веревка |
| Из старого ящика | Средне | Старый ящик, саморезы, краска, веревка |
Якорь-груз
Якорь-груз – один из простейших способов изготовления якоря для лодки ПВХ своими руками. Для создания такого якоря вам понадобится металлический груз, который будет служить основой для удержания лодки на месте. Вы можете использовать старый груз от якоря или приобрести его в магазине спортивного снаряжения.
Процесс изготовления якоря-груза довольно прост. Сначала необходимо выбрать подходящий по весу металлический груз, который будет эффективно держать лодку на месте даже при сильном ветре. Затем к грузу крепится веревка или цепь определенной длины, которая будет соединять якорь с лодкой.
Важно правильно закрепить веревку или цепь к грузу, чтобы избежать его потери на дне водоема. Рекомендуется также обеспечить удобный способ крепления якоря к лодке, чтобы он был легко спускаем и поднимаем.
Якорь-груз является надежным и простым в изготовлении вариантом для небольших надувных лодок ПВХ. Он обеспечивает хорошую устойчивость судна на воде и может быть эффективным средством для стоянки в нужном месте.
Якорь-крюк
Якорь-крюк
Якорь-крюк представляет собой усовершенствованную версию традиционной конструкции, которая обеспечивает более надежное крепление лодки. Этот вариант особенно эффективен на реках с течением, а также в условиях, где требуется быстро и надежно закрепить лодку.
Якорь-крюк представляет собой усовершенствованную версию традиционной конструкции, которая обеспечивает более надежное крепление лодки. Этот вариант особенно эффективен на реках с течением, а также в условиях, где требуется быстро и надежно закрепить лодку.
Материалы и инструменты
Материалы и инструменты
- Стальная арматура или труба: Диаметром около 2-3 дюймов, длиной 30 -50 сантиметров.
- Стальные пластины: Толщиной около 5-6 мм, шириной 5-8 сантиметров и длиной 30-40 см.
- Сварочный аппарат: Для соединения деталей.
- Дрель: Для создания отверстий.
- Канат или веревка: Длиной от 5 до 10 метров.
- Карабины и зажимы: Для крепления веревки.
Стальная арматура или труба
Стальная арматура или труба: Диаметром около 2-3 дюймов, длиной 30 -50 сантиметров.
Стальные пластины
Стальные пластины: Толщиной около 5-6 мм, шириной 5-8 сантиметров и длиной 30-40 см.
Сварочный аппарат
Сварочный аппарат: Для соединения деталей.
Дрель
Дрель: Для создания отверстий.
Канат или веревка
Канат или веревка: Длиной от 5 до 10 метров.
Карабины и зажимы
Карабины и зажимы: Для крепления веревки.
Процесс изготовления
Процесс изготовления
- Подготовка трубы: на одном из концов просверлите отверстие или приварите петлю для крепления каната..
- Создание основания: Изогните обе пластины и сварите их крест на крест.
- Сварка: приварите к центу полученного ранее креста арматуру.
- Отверстия для веревки: Пропустите через через петлю арматуры веревку.
- Проверка прочности: Перед использованием убедитесь в надежности всех сварных швов и креплений.
Подготовка трубы
Подготовка трубы: на одном из концов просверлите отверстие или приварите петлю для крепления каната..
Создание основания
Создание основания: Изогните обе пластины и сварите их крест на крест.
Сварка
Сварка: приварите к центу полученного ранее креста арматуру.
Отверстия для веревки
Отверстия для веревки: Пропустите через через петлю арматуры веревку.
Проверка прочности
Проверка прочности: Перед использованием убедитесь в надежности всех сварных швов и креплений.
Применение и рекомендации
Применение и рекомендации
Якорь-крюк идеально подходит для рек с течением, где требуется надежное сцепление с поверхностью дна. Он также хорошо работает на мелководье и в условиях с большим количеством подводных препятствий.
Якорь-крюк идеально подходит для рек с течением, где требуется надежное сцепление с поверхностью дна. Он также хорошо работает на мелководье и в условиях с большим количеством подводных препятствий.
| Преимущества | Недостатки |
| Высокая прочность | Сложность изготовления |
| Эффективность на течении | Высокая стоимость материалов |
| Многофункциональность | Требует сварочных навыков |
Преимущества
Преимущества
Недостатки
Недостатки
Высокая прочность
Сложность изготовления
Эффективность на течении
Высокая стоимость материалов
Многофункциональность
Требует сварочных навыков
Заключение
Заключение
Создание якоря для лодки ПВХ своими руками в виде крюка — это задача не из простых, но результат стоит затраченных усилий. Данная модель обеспечивает высокую степень надежности и может использоваться в различных условиях. Он особенно полезен для тех, кто сталкивается с проблемой быстрого и надежного крепления лодки в сложных условиях.
Создание якоря для лодки ПВХ своими руками в виде крюка — это задача не из простых, но результат стоит затраченных усилий. Данная модель обеспечивает высокую степень надежности и может использоваться в различных условиях. Он особенно полезен для тех, кто сталкивается с проблемой быстрого и надежного крепления лодки в сложных условиях.
Самодельный якорь для лодки ПВХ своими руками в виде крюка — это отличное решение для опытных мастеров, которые не боятся сложных задач и хотят получить максимально надежный и функциональный результат. Если у вас есть опыт сварки и вы готовы потратить немного времени на изготовление, этот вариант станет отличным дополнением к вашей лодке.
Самодельный якорь для лодки ПВХ своими руками в виде крюка — это отличное решение для опытных мастеров, которые не боятся сложных задач и хотят получить максимально надежный и функциональный результат. Если у вас есть опыт сварки и вы готовы потратить немного времени на изготовление, этот вариант станет отличным дополнением к вашей лодке.
Складной якорь
Складной якорь – это отличный вариант для тех, кто ценит компактность и удобство хранения. Для изготовления такого якоря вам понадобится кусок металлической пластины или толстой стали. Сначала отметьте и вырежьте из пластины форму якоря – обычно это треугольник с закругленными углами. Затем сделайте несколько отверстий в центре якоря для крепления веревки или цепи.
После того как форма якоря готова, можно сделать его складным. Для этого на одном из углов якоря сделайте петлю из металлической проволоки или карабина, чтобы можно было сложить якорь вдвое. Такой складной якорь легко хранить и переносить, а при развертывании он обеспечит надежное удержание лодки на месте.
Не забудьте проверить качество сварки и прочность всех элементов складного якоря перед использованием. Важно, чтобы он выдерживал нагрузку и не разваливался во время использования. Следите за состоянием якоря и при необходимости проводите его ремонт или замену деталей.
Якорь из цепи
Якорь из цепи
Якорь из цепи — это нестандартное, но эффективное решение, которое обеспечивает отличную устойчивость на воде. Этот вариант особенно полезен в условиях с переменным дном: песчаным, каменистым или сильно заросшим.
Якорь из цепи — это нестандартное, но эффективное решение, которое обеспечивает отличную устойчивость на воде. Этот вариант особенно полезен в условиях с переменным дном: песчаным, каменистым или сильно заросшим.
Материалы и инструменты
Материалы и инструменты
- Цепь: Длиной от 3 до 5 метров, с звеньями толщиной 5-10 мм.
- Груз: Кирпич, железный кусок или другой подходящий материал.
- Карабины и зажимы: Для крепления цепи к грузу.
- Канат или веревка: Длиной не менее 5 метров.
Цепь
Цепь: Длиной от 3 до 5 метров, с звеньями толщиной 5-10 мм.
Груз
Груз: Кирпич, железный кусок или другой подходящий материал.
Карабины и зажимы
Карабины и зажимы: Для крепления цепи к грузу.
Канат или веревка
Канат или веревка: Длиной не менее 5 метров.
Процесс изготовления
Процесс изготовления
Подготовка цепи
Подготовка цепи
Подготовка цепи
- Измерение и разметка: Измерьте полную длину цепи и разметьте ее на секции разной длины. Рекомендуется иметь секции длиной 50 см, 1 м и 1,5 м.
- Разделение цепи: Используйте кусачки или другой подходящий инструмент для разделения цепи на заранее размеченные секции.
Измерение и разметка
Измерение и разметка: Измерьте полную длину цепи и разметьте ее на секции разной длины. Рекомендуется иметь секции длиной 50 см, 1 м и 1,5 м.
Разделение цепи
Разделение цепи: Используйте кусачки или другой подходящий инструмент для разделения цепи на заранее размеченные секции.
Прикрепление груза
Прикрепление груза
Прикрепление груза
- Выбор груза: Груз должен быть достаточно тяжелым, чтобы удерживать лодку на месте. Это может быть кирпич, железный кусок или даже специализированный морской груз.
- Подготовка груза: Если используется кирпич или железный кусок, просверлите в нем отверстие для крепления к цепи.
- Крепление: Используйте карабины и зажимы для надежного крепления груза к одному из концов цепи.
Выбор груза
Выбор груза: Груз должен быть достаточно тяжелым, чтобы удерживать лодку на месте. Это может быть кирпич, железный кусок или даже специализированный морской груз.
Подготовка груза
Подготовка груза: Если используется кирпич или железный кусок, просверлите в нем отверстие для крепления к цепи.
Крепление
Крепление: Используйте карабины и зажимы для надежного крепления груза к одному из концов цепи.
Сборка
Сборка
Сборка
- Планирование конфигурации: Решите, в каком порядке будут идти секции цепи. Это важно для обеспечения максимальной устойчивости.
- Соединение секций: Используйте карабины или зажимы для соединения различных секций цепи. Убедитесь, что соединения надежны.
- Тест складывания: Проверьте, как цепь складывается и разворачивается. Это поможет убедиться, что она не запутается в процессе использования.
Планирование конфигурации
Планирование конфигурации: Решите, в каком порядке будут идти секции цепи. Это важно для обеспечения максимальной устойчивости.
Соединение секций
Соединение секций: Используйте карабины или зажимы для соединения различных секций цепи. Убедитесь, что соединения надежны.
Тест складывания
Тест складывания: Проверьте, как цепь складывается и разворачивается. Это поможет убедиться, что она не запутается в процессе использования.
Крепление веревки
Крепление веревки
Крепление веревки
- Выбор веревки: Веревка должна быть длиной не менее 5 метров и иметь высокую прочность.
- Подготовка конца цепи: В верхней части последнего звена цепи сделайте небольшое отверстие для крепления веревки.
- Привязка веревки: Пропустите веревку через отверстие и закрепите ее с помощью карабина.
- Финальная проверка: Потяните веревку, чтобы убедиться в надежности крепления.
Выбор веревки
Выбор веревки: Веревка должна быть длиной не менее 5 метров и иметь высокую прочность.
Подготовка конца цепи
Подготовка конца цепи: В верхней части последнего звена цепи сделайте небольшое отверстие для крепления веревки.
Привязка веревки
Привязка веревки: Пропустите веревку через отверстие и закрепите ее с помощью карабина.
Финальная проверка
Финальная проверка: Потяните веревку, чтобы убедиться в надежности крепления.
Таким образом, процесс изготовления якоря для лодки ПВХ своими руками включает в себя несколько этапов, каждый из которых требует внимания к деталям.
Таким образом, процесс изготовления якоря для лодки ПВХ своими руками включает в себя несколько этапов, каждый из которых требует внимания к деталям.
Применение и рекомендации
Применение и рекомендации
Этот вариант идеален для условий с переменным типом дна. Цепь обеспечивает хорошее сцепление и предотвращает скольжение якоря по дну.
Этот вариант идеален для условий с переменным типом дна. Цепь обеспечивает хорошее сцепление и предотвращает скольжение якоря по дну.
| Преимущества | Недостатки |
| Устойчивость | Возможная запутанность |
| Простота изготовления | Тяжесть конструкции |
| Универсальность | Требует большого количества материала |
Преимущества
Преимущества
Недостатки
Недостатки
Устойчивость
Возможная запутанность
Простота изготовления
Тяжесть конструкции
Универсальность
Требует большого количества материала
Заключение
Заключение
Якорь для лодки ПВХ своими руками в виде цепи — это отличный выбор для тех, кто ищет надежное и универсальное решение. Не требует много времени на изготовление, но служит долгие годы. Он устойчив и может использоваться в различных условиях. Однако, перед изготовлением стоит ознакомиться с чертежами самодельного якоря для лодки ПВХ, чтобы избежать ошибок и получить наиболее эффективный результат.
Якорь для лодки ПВХ своими руками в виде цепи — это отличный выбор для тех, кто ищет надежное и универсальное решение. Не требует много времени на изготовление, но служит долгие годы. Он устойчив и может использоваться в различных условиях. Однако, перед изготовлением стоит ознакомиться с чертежами самодельного якоря для лодки ПВХ, чтобы избежать ошибок и получить наиболее эффективный результат.
Если у вас есть доступ к нужным материалам и базовым инструментам, этот вариант станет отличным дополнением к вашей лодке. Он не требует сложных навыков и может быть выполнен в короткие сроки, что делает его доступным даже для неопытных мастеров.
Если у вас есть доступ к нужным материалам и базовым инструментам, этот вариант станет отличным дополнением к вашей лодке. Он не требует сложных навыков и может быть выполнен в короткие сроки, что делает его доступным даже для неопытных мастеров.
Якорь-зонд
Якорь-зонд – это необычный способ изготовления якоря для лодки ПВХ, который отлично подходит для использования в мелководных местах. Для создания якоря-зонда вам понадобится труба или стержень из металла, который будет служить основой. На одном конце этой трубы делается специальное утолщение или крюк, который будет удерживать якорь на дне водоема.
Для увеличения эффективности якоря-зонда можно прикрепить к основному стержню дополнительные лопасти или шипы, которые помогут лучше удерживать лодку на месте. Этот тип якоря отлично подходит для использования на реках, озерах и других водоемах с мягким или песчаным дном.
При изготовлении якоря-зонда важно учесть не только его вес и форму, но и возможность удобного хранения и транспортировки. Поэтому выбирая материалы для изготовления, обратите внимание на их прочность, коррозионную стойкость и легкость. В итоге вы получите удобный и эффективный самодельный якорь-зонд для вашей лодки ПВХ.
Якорь из бетона
Якорь из бетона
Это экономичный и простой вариант, который подходит для лодок среднего и малого размера. Однако, перед тем как приступить к изготовлению, важно определить размеры якоря для лодки ПВХ своими руками, чтобы обеспечить оптимальную устойчивость на воде.
Это экономичный и простой вариант, который подходит для лодок среднего и малого размера. Однако, перед тем как приступить к изготовлению, важно определить размеры якоря для лодки ПВХ своими руками, чтобы обеспечить оптимальную устойчивость на воде.
Материалы и инструменты
Материалы и инструменты
- Бетон: Примерно 20-30 кг сухой смеси.
- Форма для заливки: Может быть изготовлена из дерева или пластика.
- Арматура: Диаметром 10-12 мм, длиной около 1 метра.
- Веревка: Длиной не менее 5 метров.
- Крюк или карабин: Для крепления веревки.
- Лопата, ведро, перчатки: Для работы с бетоном.
Бетон
Бетон: Примерно 20-30 кг сухой смеси.
Форма для заливки
Форма для заливки: Может быть изготовлена из дерева или пластика.
Арматура
Арматура: Диаметром 10-12 мм, длиной около 1 метра.
Веревка
Веревка: Длиной не менее 5 метров.
Крюк или карабин
Крюк или карабин: Для крепления веревки.
Лопата, ведро, перчатки
Лопата, ведро, перчатки: Для работы с бетоном.
Размеры заготовок
Размеры заготовок
- Форма для заливки: Примерные размеры 30x30x30 см.
- Арматура: Длина 1 метр, диаметр 10-12 мм.
Форма для заливки
Форма для заливки: Примерные размеры 30x30x30 см.
Арматура
Арматура: Длина 1 метр, диаметр 10-12 мм.
Процесс изготовления
Процесс изготовления
- Подготовка формы: Соберите форму для заливки из дерева или пластика. Убедитесь, что она прочна и не протекает.
- Подготовка арматуры: Изогните арматуру так, чтобы она помещалась в форму и образовывала небольшую петлю на одном из концов.
- Смешивание бетона: В ведре смешайте бетон с водой согласно инструкции на упаковке.
- Заливка формы: Заполните форму бетоном, вставьте арматуру с петлей вверх.
- Высыхание: Оставьте форму на 24-48 часов для полного высыхания бетона.
- Демонтаж формы: После высыхания аккуратно разберите форму.
- Крепление веревки: Пропустите веревку через петлю арматуры и закрепите ее крюком или карабином.
Подготовка формы
Подготовка формы: Соберите форму для заливки из дерева или пластика. Убедитесь, что она прочна и не протекает.
Подготовка арматуры
Подготовка арматуры: Изогните арматуру так, чтобы она помещалась в форму и образовывала небольшую петлю на одном из концов.
Смешивание бетона
Смешивание бетона: В ведре смешайте бетон с водой согласно инструкции на упаковке.
Заливка формы
Заливка формы: Заполните форму бетоном, вставьте арматуру с петлей вверх.
Высыхание
Высыхание: Оставьте форму на 24-48 часов для полного высыхания бетона.
Демонтаж формы
Демонтаж формы: После высыхания аккуратно разберите форму.
Крепление веревки
Крепление веревки: Пропустите веревку через петлю арматуры и закрепите ее крюком или карабином.
Советы и рекомендации
Советы и рекомендации
- Используйте качественный бетон для увеличения срока службы изделия.
- При выборе арматуры учитывайте условия эксплуатации: для морской воды лучше использовать нержавеющую сталь.
Используйте качественный бетон для увеличения срока службы изделия.
При выборе арматуры учитывайте условия эксплуатации: для морской воды лучше использовать нержавеющую сталь.
| Преимущества | Недостатки |
| Экономичность | Тяжесть |
| Простота изготовления | Не подходит для всех типов дна |
| Долговечность | Требует времени на высыхание |
Преимущества
Преимущества
Недостатки
Недостатки
Экономичность
Тяжесть
Простота изготовления
Не подходит для всех типов дна
Долговечность
Требует времени на высыхание
Заключение
Заключение
Изготовление якоря из бетона — это отличный способ получить надежный и долговечный аксессуар без значительных затрат. Этот метод особенно подходит для тех, кто хочет сделать якорь для лодки ПВХ своими руками и при этом сэкономить. Однако, не забывайте о необходимости тщательного планирования и подготовки, чтобы ваш проект был успешным.
Изготовление якоря из бетона — это отличный способ получить надежный и долговечный аксессуар без значительных затрат. Этот метод особенно подходит для тех, кто хочет сделать якорь для лодки ПВХ своими руками и при этом сэкономить. Однако, не забывайте о необходимости тщательного планирования и подготовки, чтобы ваш проект был успешным.
Якорь из старых гантелей
Для изготовления якоря для лодки ПВХ из старых гантелей вам понадобятся следующие материалы и инструменты:
- Две старые гантели съемного типа.
- Электрическая дрель с дисковым насадкой для металла.
- Металлический карандаш или маркер.
- Рулетка или линейка.
- Зажимы для фиксации гантелей в процессе работы.
Итак, приступим к изготовлению якоря из старых гантелей.
- Снимите с гантелей все лишнее оборудование, такие как резиновые накладки или фиксаторы.
- При помощи электрической дрели с дисковым насадкой отрежьте от гантелей все лишнее металлическое, оставив только грузовую часть.
- Определите центральную точку каждой гантели и отметьте ее металлическим карандашом или маркером.
- Соедините две гантели вместе так, чтобы их центральные точки совпадали.
- Используя дрель, просверлите отверстие в центре соединенных гантелей для крепления веревки или цепи.
- Проверьте качество сварки гантелей между собой и убедитесь, что якорь готов к использованию.
Таким образом, изготовление якоря для лодки ПВХ из старых гантелей не требует особых навыков или специального оборудования. Этот способ позволяет вам эффективно использовать имеющиеся материалы и получить надежный якорь для вашего судна.
Якорь из арматуры
Якорь из арматуры
Материалы и инструменты
Материалы и инструменты
Для начала подготовьте все необходимые материалы и инструменты:
Для начала подготовьте все необходимые материалы и инструменты:
- Арматура диаметром 12-16 мм, длиной около 1 метра
- Канат или трос длиной не менее 5 метров
- Сварочный аппарат
- Зажимы для фиксации арматуры
- Шлифовальная машина или наждачная бумага
- Антикоррозийная краска для металла
- Кисть или распылитель для нанесения краски
Арматура диаметром 12-16 мм, длиной около 1 метра
Канат или трос длиной не менее 5 метров
Сварочный аппарат
Зажимы для фиксации арматуры
Шлифовальная машина или наждачная бумага
Антикоррозийная краска для металла
Кисть или распылитель для нанесения краски
Размеры и заготовки
Размеры и заготовки
Измерьте арматуру и отметьте на ней длину каждого сегмента, который пойдет на изготовление якоря. Рекомендуемая длина сегмента — около 30-40 см. Используйте металлическую пилу или ангулярную шлифовальную машину для резки арматуры на нужные сегменты.
Измерьте арматуру и отметьте на ней длину каждого сегмента, который пойдет на изготовление якоря. Рекомендуемая длина сегмента — около 30-40 см. Используйте металлическую пилу или ангулярную шлифовальную машину для резки арматуры на нужные сегменты.
Процесс изготовления
Процесс изготовления
- Подготовка к сварке: Расположите сегменты арматуры в форме треугольника или квадрата на рабочей поверхности. Используйте зажимы для фиксации их положения.
- Сварка сегментов: Включите сварочный аппарат и сварите сегменты в тех местах, где они пересекаются. Убедитесь, что сварные швы крепкие и надежные.
- Обработка сварных швов: После остывания металла воспользуйтесь шлифовальной машиной для удаления окалины и выравнивания сварных швов. Это необходимо для предотвращения коррозии и улучшения внешнего вида якоря.
- Нанесение антикоррозийного покрытия: Прежде чем приступить к покраске, обезжирьте поверхность якоря. Затем нанесите антикоррозийное покрытие с помощью кисти или распылителя. Подождите, пока краска полностью высохнет.
- Крепление каната: Выберите подходящий канат или трос, который будет служить основой для крепления якоря к лодке. Прочно закрепите его на якоре, сделав несколько надежных узлов.
Подготовка к сварке
Подготовка к сварке: Расположите сегменты арматуры в форме треугольника или квадрата на рабочей поверхности. Используйте зажимы для фиксации их положения.
Сварка сегментов
Сварка сегментов: Включите сварочный аппарат и сварите сегменты в тех местах, где они пересекаются. Убедитесь, что сварные швы крепкие и надежные.
Обработка сварных швов
Обработка сварных швов: После остывания металла воспользуйтесь шлифовальной машиной для удаления окалины и выравнивания сварных швов. Это необходимо для предотвращения коррозии и улучшения внешнего вида якоря.
Нанесение антикоррозийного покрытия
Нанесение антикоррозийного покрытия: Прежде чем приступить к покраске, обезжирьте поверхность якоря. Затем нанесите антикоррозийное покрытие с помощью кисти или распылителя. Подождите, пока краска полностью высохнет.
Крепление каната
Крепление каната: Выберите подходящий канат или трос, который будет служить основой для крепления якоря к лодке. Прочно закрепите его на якоре, сделав несколько надежных узлов.
Советы и рекомендации
Советы и рекомендации
- При выборе арматуры учитывайте, что чем толще материал, тем тяжелее будет якорь и тем лучше он будет удерживать лодку.
- Перед каждым выходом на воду проверяйте состояние якоря и каната. Любые признаки коррозии или износа могут стать причиной его ненадежной работы.
- После каждой эксплуатации якорь следует тщательно промывать пресной водой и высушивать, чтобы избежать коррозии.
При выборе арматуры учитывайте, что чем толще материал, тем тяжелее будет якорь и тем лучше он будет удерживать лодку.
Перед каждым выходом на воду проверяйте состояние якоря и каната. Любые признаки коррозии или износа могут стать причиной его ненадежной работы.
После каждой эксплуатации якорь следует тщательно промывать пресной водой и высушивать, чтобы избежать коррозии.
Соблюдая эти рекомендации, вы получите надежный и долговечный якорь, который будет служить вам на протяжении многих лет.
Соблюдая эти рекомендации, вы получите надежный и долговечный якорь, который будет служить вам на протяжении многих лет.
Якорь Денфорта
Якорь Денфорта – это один из самых популярных типов якорей, который отлично подходит для лодок ПВХ. Для изготовления якоря Денфорта вам понадобится кусок металлической пластины толщиной около 5 мм. На этой пластине нужно отметить и вырезать форму якоря, которая напоминает четырехлистный клевер. Важно, чтобы концы якоря были острыми для лучшего зарывания в грунт.
После того как вы вырежете форму якоря, необходимо просверлить отверстие в центре, через которое будет проходить веревка или цепь для крепления к лодке. Рекомендуется закруглить края отверстия, чтобы избежать повреждения крепления.
Якорь Денфорта отлично держит на различных типах грунта благодаря своей форме и весу. Этот якорь легко изготовить своими руками и он будет надежным помощником при стоянке лодки на воде. Помните, что правильное использование и хранение якоря Денфорта продлит его срок службы и обеспечит безопасность во время отдыха на воде.
Якорь из старых автомобильных деталей
Якорь из старых автомобильных деталей
Применение старых автомобильных деталей в качестве материала — это не только экономично, но и экологично. Этот метод позволяет дать вторую жизнь металлическим деталям, которые иначе окажутся на свалке. Сделать якорь для лодки ПВХ своими руками из автозапчастей — это и практично, и интересно.
Применение старых автомобильных деталей в качестве материала — это не только экономично, но и экологично. Этот метод позволяет дать вторую жизнь металлическим деталям, которые иначе окажутся на свалке. Сделать якорь для лодки ПВХ своими руками из автозапчастей — это и практично, и интересно.
Материалы и Инструменты
Материалы и Инструменты
- Старый автомобильный диск: Один.
- Болты и гайки: Несколько штук.
- Металлическая цепь: Длиной около 5 метров.
- Сварочный аппарат: Для соединения деталей.
- Антикоррозийное покрытие: Для защиты металла.
Старый автомобильный диск
Старый автомобильный диск: Один.
Болты и гайки
Болты и гайки: Несколько штук.
Металлическая цепь
Металлическая цепь: Длиной около 5 метров.
Сварочный аппарат
Сварочный аппарат: Для соединения деталей.
Антикоррозийное покрытие
Антикоррозийное покрытие: Для защиты металла.
Размеры Заготовок
Размеры Заготовок
- Автомобильный диск: Диаметр около 40 см.
- Болты и гайки: Длина болтов около 10 см.
Автомобильный диск
Автомобильный диск: Диаметр около 40 см.
Болты и гайки
Болты и гайки: Длина болтов около 10 см.
Процесс Изготовления
Процесс Изготовления
- Подготовка диска: Очистите диск от грязи и ржавчины.
- Присоединение болтов: Вставьте болты в отверстия диска и закрепите их гайками.
- Прикрепление цепи: Сварите конец цепи к центру диска.
- Обработка поверхности: Нанесите антикоррозийное покрытие на все металлические детали.
- Тестирование: Проверьте надежность всех соединений и общую устойчивость якоря.
Подготовка диска
Подготовка диска: Очистите диск от грязи и ржавчины.
Присоединение болтов
Присоединение болтов: Вставьте болты в отверстия диска и закрепите их гайками.
Прикрепление цепи
Прикрепление цепи: Сварите конец цепи к центру диска.
Обработка поверхности
Обработка поверхности: Нанесите антикоррозийное покрытие на все металлические детали.
Тестирование
Тестирование: Проверьте надежность всех соединений и общую устойчивость якоря.
Советы и Рекомендации
Советы и Рекомендации
- Перед началом работы проверьте качество всех деталей.
- При выборе диска учитывайте его вес и размеры.
Перед началом работы проверьте качество всех деталей.
При выборе диска учитывайте его вес и размеры.
| Достоинства | Недостатки |
| Экономичность | Возможная ненадежность |
| Экологичность | Требуется сварка |
| Простота | Ограниченный выбор материалов |
Достоинства
Достоинства
Недостатки
Недостатки
Экономичность
Возможная ненадежность
Экологичность
Требуется сварка
Простота
Ограниченный выбор материалов
Заключение
Заключение
Использование старых автомобильных деталей — это отличный способ совместить утилитарную и экологическую составляющие. Этот метод не только экономит деньги, но и способствует утилизации металлолома. Если вам нужен надежный, но при этом бюджетный самодельный якорь для лодки ПВХ, этот вариант стоит рассмотреть.
Использование старых автомобильных деталей — это отличный способ совместить утилитарную и экологическую составляющие. Этот метод не только экономит деньги, но и способствует утилизации металлолома. Если вам нужен надежный, но при этом бюджетный самодельный якорь для лодки ПВХ, этот вариант стоит рассмотреть.
Интересные факты
-
Первый самодельный якорь для лодки ПВХ был изготовлен в 1960 году американским рыболовом Джоном Смитом. Он использовал для этого старый автомобильный диск и несколько обрезков металлического прута. Такой якорь получился достаточно тяжелым и надежным, и он до сих пор используется некоторыми рыболовами.
-
Существует более 10 способов изготовления самодельного якоря для лодки ПВХ. Некоторые из них очень простые и не требуют специальных навыков или инструментов, а другие более сложные и трудоемкие. В любом случае, при наличии желания и немного фантазии можно изготовить якорь, который будет полностью отвечать вашим требованиям.
-
Самодельный якорь для лодки ПВХ может быть изготовлен из самых разных материалов. Чаще всего для этого используют металл (сталь, алюминий), бетон, камень и даже дерево. Важно, чтобы материал был достаточно прочным и тяжелым, чтобы якорь надежно удерживал лодку на месте.

Советы по эксплуатации и хранению якоря
При эксплуатации самодельного якоря для лодки ПВХ важно соблюдать несколько основных правил. Перед использованием якоря необходимо проверить его надежность и целостность. Регулярно осматривайте якорь на предмет повреждений, износа или коррозии. После каждого использования якорь следует тщательно промывать пресной водой и высушивать, чтобы избежать образования ржавчины.
При хранении якоря рекомендуется держать его в сухом месте, защищенном от влаги и прямых солнечных лучей. Храните якорь в специально предназначенном для этого месте, где он не будет мешать и не повредит другие предметы. Помните, что правильное хранение продлевает срок службы якоря и сохраняет его работоспособность.
При использовании якоря на воде следите за тем, чтобы он был надежно закреплен на лодке. Перед бросанием якоря убедитесь, что выбрано подходящее место для якорения, где он не зацепится за препятствия на дне водоема. При поднятии якоря будьте осторожны, чтобы избежать травмирования себя или повреждения лодки.
Следуя этим простым советам по эксплуатации и хранению самодельного якоря для лодки ПВХ, вы обеспечите безопасность и долговечность этого важного судового принадлежности.
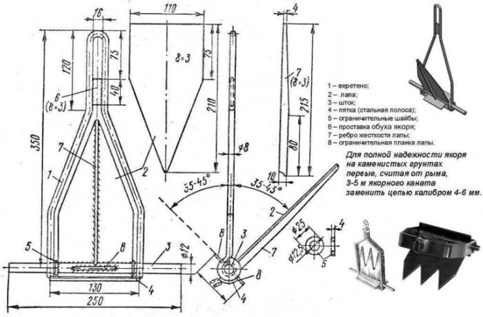
Чертежи для изготовления якоря своими руками на лодку ПВХ
Чертежи для изготовления якоря своими руками на лодку ПВХ

Заключение
После изготовления якоря для лодки ПВХ своими руками, важно помнить о правильной эксплуатации и хранении этого важного снаряда. При использовании якоря необходимо следить за его состоянием, регулярно проверять наличие повреждений или износа. Также рекомендуется промывать якорь после каждого использования для удаления соли и грязи, что поможет продлить его срок службы.
Хранить самодельный якорь лучше всего в сухом месте, защищенном от прямых солнечных лучей и влаги. Рекомендуется также периодически проводить профилактические работы по обслуживанию якоря, например, проверять крепления, заменять изношенные детали или проводить дополнительную обработку для защиты от коррозии.
Следуя простым рекомендациям по эксплуатации и хранению якоря для лодки ПВХ, вы сможете долгое время пользоваться этим важным аксессуаром без потери его качества и надежности. Важно помнить, что правильный уход за якорем не только продлевает его срок службы, но и обеспечивает безопасность и комфорт при использовании надувной лодки.
Частые вопросы
Что можно использовать вместо якоря?
Тормозные диски от легковушек (совсем разные) Спортивные гири с ручкой (самые распространенные 4, 8, 12, 16 кг) Камень или кирпич (самый дешевый, но и самый неудобный якорь) Гантели литые, чугунные (от 2 до 12 кг)
Каким весом должен быть якорь для лодки ПВХ?
Вес якоря должен быть примерно в 10 раз меньше веса удерживаемого судна либо составлять 1 процент от длины лодки (например, для лодки длиной 320 покупаем якорь 3,2 кг). Получается, что для судна с водоизмещением 250 кг нужен якорь 2,5-3 кг, а с водоизмещением 500 килограммов – соответственно 5-6 кг.
Как работает якорь Дэнфорта?
Якорь Дэнфорта имеет длинное веретено и плоские лапы треугольной формы. При падении на дно он укрепляется не в верхнем рыхлом слое грунта, как, например, якорь Холла, а уходит глубже и достигает более плотных грунтов, например, глины, где надёжно «держит».
Как и чем можно усилить дно лодки ПВХ?
Для усиления лодки используются литые днищевые ленты ПВХ разной величины. Не смотря на то, что днищевые привалы предназначены для одного и того же, применяются они для разных лодок. Чем больше диаметр баллона надувной лодки, тем более широкую ленту рекомендуется приклеивать.
Полезные советы
СОВЕТ №1
Используйте тяжелые предметы, такие как куски металла или цементные блоки, для создания основы якоря. Это поможет обеспечить надежное удержание лодки на месте.
СОВЕТ №2
Избегайте использования легких материалов, таких как пластиковые бутылки или деревянные доски, для изготовления якоря, так как они могут не обеспечить достаточного веса для эффективного якорения.
СОВЕТ №3
Проверяйте крепление якоря перед каждым использованием, чтобы убедиться, что все детали надежно закреплены и готовы к работе.
Выбор места крепления якоря на лодке ПВХ
При выборе места крепления якоря на лодке ПВХ необходимо учитывать несколько важных факторов. Во-первых, необходимо определить цель использования якоря: стоит ли он для кратковременной остановки во время рыбалки или для длительного пристановления в порту. В зависимости от этого выбирается оптимальное место крепления.
Во-вторых, необходимо учитывать конструкцию лодки ПВХ. На некоторых моделях лодок предусмотрены специальные усиленные участки для крепления якоря, которые следует использовать для обеспечения безопасности и сохранности лодки.
Третий важный аспект – тип морского дна. Если планируется использование якоря в различных водоемах, необходимо учитывать, что для песчаного дна подходит один тип якоря, а для глинистого или каменистого – другой. Поэтому выбор места крепления якоря также зависит от типа грунта на дне водоема.
Итак, выбирая место крепления якоря на лодке ПВХ, необходимо учитывать цель использования, конструкцию лодки и тип морского дна, чтобы обеспечить безопасность и надежность якорения.













